2021-03-11
半導體芯片是推動現代科技向前發展的基石,其質量的優劣可以直接影響到電子設備的性能。因此,在其生產過程中有一道重要的工序就是對半導體芯片的性能進行檢測,以保障在后續生產中能夠正常運行。而繼電器作為一種電控制器件,能夠在檢測工序中起到電源供應和信號切換的作用。
今天廣州鼎悅電子為大家介紹的便是歐姆龍新上市的G3VM-WR系列MOS FET繼電器,該系列繼電器分為G3VM-31WR/G3VM-61WR/G3VM-101WR三個型號,負載電壓分別為30V/60V/100V,最大連續負載電流分別為4.5A/3A/2A。這些產品均采用P-SON4型封裝,應用在半導體檢測設備中可以為設備提供較高的可靠性,助力檢測更高效,并且憑借其較小的封裝尺寸,也更有利于檢測設備的小型化設計。

歐姆龍G3VM-WR 系列優勢
小體積,順應發展趨勢
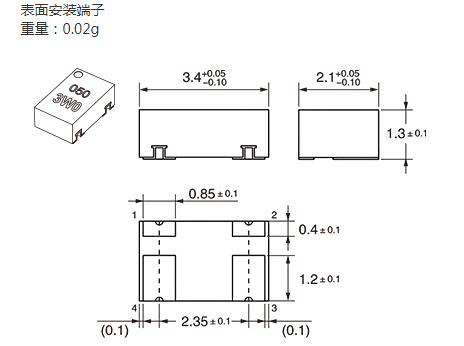
如今,電子設備逐漸向小體積的方向發展,對應用其中的電子元器件小型化要求也在逐步提高。為了順應這一趨勢,歐姆龍G3VM-WR系列產品全部采用無引線的小型大容量封裝P-SON4,體積僅為3.4×1.3×2.1mm,這大大節約了電路板的使用空間,有助于產品小型化設計。
高性能,更加安全可靠
由于繼電器的工作環境比較嚴苛,因此,出色的穩定性與耐受性是保障設備正常運行的基礎。在性能方面,歐姆龍G3VM-WR系列產品的輸入輸出間耐電壓為500Vrms(AC持續一分鐘),并且具有較寬的工作溫度范圍,能夠在-40℃~110℃(無結冰、無凝露)的環境下保持穩定運行。
應用示例
歐姆龍G3VM-WR系列產品憑借著較高的性能與小體積的優勢,可廣泛應用于半導體檢測設備、通信設備、計量儀器和數據記錄儀中。
點擊咨詢
電話咨詢
QQ咨詢
微信咨詢
回到頂部